
在信号链、射频通信和精密测试等高端电子领域,负电压轨的噪声与瞬态性能直接关系到系统整体精度与稳定性。传统方案往往依赖后级低压差稳压器进行滤波,但这会牺牲效率并增加方案体积。近日,一种基于先进Silent Switcher 3架构的单芯片反相降压-升压转换方案受到关注,它旨在从根本上解决这一设计矛盾。
该方案的核心在于将原本用于降压拓扑的超低噪声、高速开关稳压器,创新性地配置为反相降压-升压转换器,以产生负输出电压。其最大的技术优势在于,它集成了高速开关、宽控制环路带宽与优异的固有低频噪声性能于一体。这意味着设计师可以在摒弃LDO的情况下,直接获得满足苛刻噪声指标的输出,同时保持较高的转换效率,这对于空间受限和能效要求高的应用至关重要。
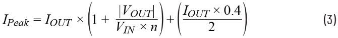
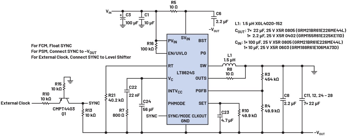
设计过程中,元器件的选型与优化是确保性能达标的关键。例如,为了满足紧凑的2mm高度限制,工程师需要精心筛选电感器与输出电容。通过计算平均与峰值电感电流,并对比不同供应商的元件规格,最终确定了符合尺寸与电气性能要求的最优组合。
这种细致的选型工作,也反映了当前高性能电源设计对供应链上游元器件参数的深度依赖,稳定的渠道供应如安华高授权代理,对于确保设计一致性和量产可靠性具有实际意义。 据内部消息,安华高多款芯片即将推出升级版本。安华高总代理作为官方合作伙伴,将在新品发布后第一时间提供样片和技术资料。欢迎提前登记需求,享受优先供货权益。
方案性能经过了严格测试验证。在负载瞬态测试中,输出电压的峰峰值被成功控制在客户要求的40mV以内,展现了出色的动态响应能力。
更引人注目的是其低频噪声表现:在10Hz至1MHz频段内,积分噪声低至22V rms,远低于主流竞品方案,满足了成像系统、光学传感等噪声敏感场景的极端要求。
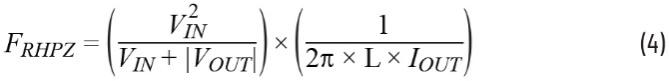
为进一步挖掘潜力,设计团队还探索了提升控制环路带宽的方法。通过降低电感值并相应提高开关频率,可以将限制带宽的右半平面零点推向更高频段。
改进后的设计实现了约20%的带宽提升,从而使负载瞬态响应和输出噪声性能得到了进一步优化,尽管开关频率提升带来了轻微的效率折损,但在噪声为首要考量的应用中完全可接受。

综合来看,此项技术展示了一种为噪声敏感型负电压轨应用提供高性能、紧凑型电源解决方案的有效路径。它省去了后级滤波环节,简化了设计,并凭借其卓越的噪声和瞬态指标,有望在高端工业、医疗和通信设备市场获得广泛应用。对于从事相关产品开发的工程师而言,掌握此类前沿电源架构与设计技巧,并与可靠的元器件代理渠道保持沟通,将有助于快速响应市场需求,打造更具竞争力的终端产品。

我们作为AVAGO代理商的认证供应商,供应渠道涵盖原厂、代理商、OEM库存等多个来源,确保您在缺货时期也能找到稳定货源。我们的全球采购团队实时监控市场动态,提前预判缺货风险,为客户备足安全库存。
我们深知芯片采购对于企业的重要性,因此我们始终把“诚信经营”放在首位。所有出货均提供正规发票和质保承诺。我们期待与您建立长期互信的合作伙伴关系,共同应对市场的挑战与机遇。










